| 注意:访问本站需要Cookie和JavaScript支持!请设置您的浏览器! • 打开购物车 • 查看留言 • 付款方式 • 联系我们 |
![]() |
| 首页 | 电子入门 | 学单片机 | 免费资源 | 下载中心 | 商品列表 | 象棋在线 | 在线绘图 | 加盟五一 | 加入收藏 | 设为首页 |
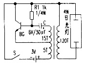
| 选择分类:当前分类——小说笑话 相关联或者相类似的文章: [转帖]经验百宝箱(918) 军训报数(916) *队列不齐(911) 信一半(910) 向五一电子贵宾、会员致敬以及未来展望(908) 名词解析(903) ++ 电源故障报警器 ++(898) 又一个轻触开关电路(891) 什麽是胆量!(889) 测试你的左右脑(886) 教育,你失去了什么(885) 防止电烙铁空烧的方法 (884) 计算机类(879) 军队鬼故事(879) 实用稳压电源[贴图](876) 全是生活照(876) 现在的本科生怎么了(870) 谎 报(暴笑)(863) 人能控制梦的内容吗?(860) 俺不是北京来的……(860) 首页 前页 后页 尾页 本站推荐: | 手提日光灯的制作 电路原理如图, 利用升压变压器将3V的直流电变为100V的交流电,从而驱动4W日光灯工作。制作时,用1个2SB202或2SB200型晶体管组成一振荡器,把直流电变为交流;升压变压器采用E30型铁粉芯,初级用φ0.4mm的漆包线绕20匝,从5匝处抽头,次级用φ0.1mm的漆包线绕120匝即可。 1、 本站不保证以上观点正确,就算是本站原创作品,本站也不保证内容正确。 2、如果您拥有本文版权,并且不想在本站转载,请书面通知本站立即删除并且向您公开道歉! |
|
本站协议 |
版权信息 |
关于我们 |
本站地图 |
营业执照 |
发票说明 |
付款方式 |
联系方式
深圳市宝安区西乡五壹电子商行——粤ICP备16073394号-1;地址:深圳西乡河西四坊183号;邮编:518102 E-mail:51dz$163.com($改为@);Tel:(0755)27947428 工作时间:9:30-12:00和13:30-17:30和18:30-20:30,无人接听时可以再打手机13537585389 |